当協会について
設計会館
一般の皆様へ
建築士事務所の皆様へ
協会ホームページ
会員の皆様へ
会誌・作品集
報告書の手引きと記入例
報告書の提出について
・「設計等の業務に関する報告書」は、毎事業年度終了後(決算月終了後)
3ヶ月以内に提出してください(「士法第23条の6」)。
・事業年度ごとに1部提出してください(多年度分をまとめて提出することはできません)。
・業務実績がない場合でも提出しなければなりません。
・提出先は、協会各支部です(持参、郵送又はオンライン)。
※令和7年4月1日からはオンラインでの提出が可能です。
オンライン申請システム:https://www.icba-kenjitouroku.jp/login
操作説明書は申請書様式ダウンロードのページをご覧下さい。
提出書類について
申請書様式ダウンロード
提出書類は、すべて「申請書様式ダウンロード」ページでダウンロードできます。
閲覧およびダウンロードはこちら。
1.第一面 報告書表紙
・事業年度を必ず記入してください。

2.第二面 建築士事務所の業務の実績
・実績がない場合は「業務実績なし」と記入してください。

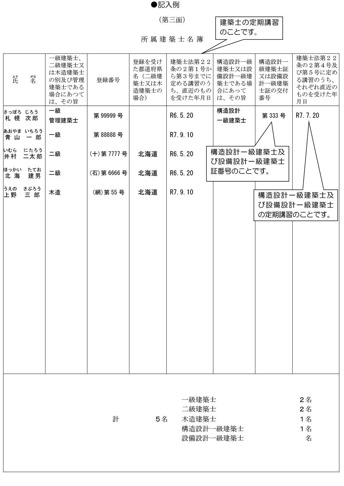
3.第三面 所属建築士名簿
・所属建築士の名前には必ずふりがなを付けてください。
・管理建築士である場合は、建築士の級の下に、その旨を記入してください。
・二級建築士と木造建築士の登録番号で、登録番号に支庁名略がついている場合は、必ず記入してください。〔例〕(石)第9999号
・「建築士法第22条の2第1号から第3号までに定める講習」とは、建築士の定期講習のことです。
・「建築士法第22条の2第4号及び第5号に定める講習」とは、構造設計一級建築士及び設備設計一級建築士の定期講習のことです。

4.第四面 所属建築士の業務の実績
・第二面とは異なりますので、必ず記入してください
(「第二面と同じ」というような記入はしないでください)。
・実績がない所属建築士は、「業務実績なし」と記入してください。

5.第五面 管理建築士による意見の概要
・意見がない場合、あるいは管理建築士と開設者が同一の者である場合は、省略できます。

※書類は、ホチキスで留めずに、クリップ等でまとめて提出してください
報告書の手引きと記入例・詳細版(pdf)














